| Product | Package | size(LxWxHmm) | VF (V) | BV CEO (Min) (V) | V CE(SAT) (Max) (V) | IF (mA) | CTR (%) | tr (uS) | tf (uS) | ton (uS) | toff (uS) | Topr (Min) (degC) | Topr (Max) (degC) | Viso (Vrms) |
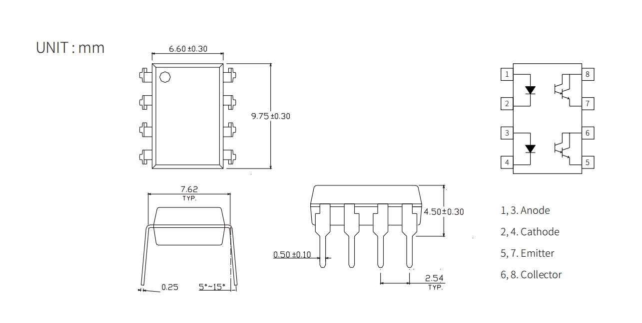
| KL825 | DIP8 | 9.75x6.6x3.5 | 1.2 | 40 | 1 | 1 | 600~7500 | 60 | 53 | - | - | -55 | +110 | 5000 |
| Broadcom/Avago | Onsemi/Fairchild | Toshiba | Vishay | Liteon | EL | Cosmo | Sharp | QUNXIN |
| K825P/TCED2100 | LTV-825 | EL825 | PC825 | QX825 |
